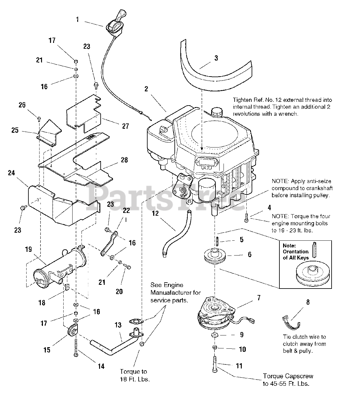
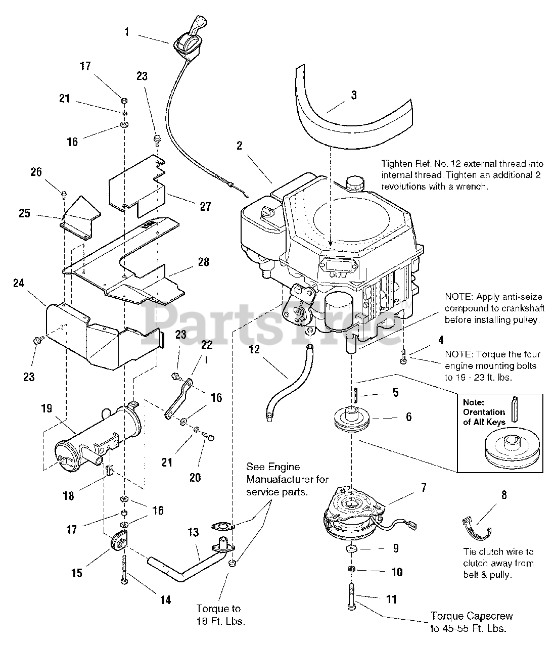
Craftsman 107.280063 (7800753A) Craftsman ZTS7000 Series 42" Zero

Craftsman Zts 7000 Parts. Craftsman ZT 7000 Model 107.277700 ZeroTurn Mower Maintenance & Owner Earn a $75 statement credit for every $500 spent, up to $225, on eligible purchases† made wherever Mastercard ® is accepted in the first 90 days after you are approved for a new Shop Your Way Mastercard ® ‡ We have model diagrams, OEM parts, symptom-based repair help, instructional videos, and more

Craftsman 107.280063 (7800753A) Craftsman ZTS7000 Series 42" Zero
Craftsman 107.280063 (7800753A) Craftsman ZTS7000 Series 42" Zero from www.partstree.com

Sears Parts Direct has parts, manuals & part diagrams for all types of repair projects to help you fix your rear-engine riding mower! Can't find your part? Contact us: +1-309-603-4777 Find the right Craftsman Lawn Mower Model ZT-7000 replacement parts for your repair

Craftsman 107.280063 (7800753A) Craftsman ZTS7000 Series 42" Zero

Sometimes products wear down and need repair or maintenance 107.280071 (7800690) - Craftsman ZTS7000 Series 52" Zero-Turn Mower, 26hp Briggs & Stratton (2011) > Parts Diagrams (18) 52" Deck Lift Group - Electric Height of Cut 52" Mower Deck - Housing Group Filter results by part category, part title and lawn mower symptoms

Craftsman 107.277720 (2690428) Craftsman ZT7000 Series 44" ZeroTurn. 107.280071 (7800690) - Craftsman ZTS7000 Series 52" Zero-Turn Mower, 26hp Briggs & Stratton (2011) > Parts Diagrams (18) 52" Deck Lift Group - Electric Height of Cut 52" Mower Deck - Housing Group C950-60107- (7800819) - Craftsman ZTS7000 Series 52" Zero-Turn Mower, 26hp Briggs & Stratton, Canada (2011) C950-60107-1 (7800819 A) - Craftsman ZTS7000 Series 52" Zero-Turn Mower, 26hp.

Craftsman Zt 7000 Deck Belt Diagram Wiring Diagram Pictures. Shop OEM replacement parts by symptoms or model diagrams for your Craftsman 107.280071 Zts7000 Series 52 Inch Zero-Turn Mower 26hp Briggs And Stratton (7800690)(2011)! Sometimes products wear down and need repair or maintenance